XZS80-50 Centrifugal monobloc pump with rigid coupling
Application
- The XZS standardized monobloc centrifugal pump is a new generation of centrifugal pump dedicated to conveying water and various industrial fluids. This pump is suitable for various temperatures, flow rates and pressures. It is manufactured using advanced technologies.
- Drinking water supply, filtration and overpressure of water.
- Industrial pressurization, flow dampening system, cleaning system
- Transport of industrial liquids, hot water supply, condensing system, cooling system, air conditioning system.
- Water treatment, water distillation system, separator, swimming pool
- Irrigation
- Petrochemical and medical industries, etc ...
Pump
- Conditions of use: Clear, non-flammable and non-explosive liquid, without particles or fibers
- Liquid temperature: from -15°C to +90°C
- Nominal flow entre 0.7 and 132 m³/h
- HMT between 9 and 58 m
- pH between 3 and 9
- Carbon / SiC / NBR mechanical seal
Motor
- Protection class: IP55
- Maximum ambient temperature: +40°
- Maximum working pressure: 10 bars
Identification codes
XZS
80
-50
-200
/92
Nominal power (x100 W)
nominal impeller diameter (mm)
Outlet diameter (mm)
inlet diameter (mm)
Stainless steel centrifugal pump
Technical data
| Q (m³/h) | 0 | 30 | 36 | 42 | 48 | 60 | 72 | ||||
|---|---|---|---|---|---|---|---|---|---|---|---|
| Model | Code | Price excl. VAT | kW | Q (l/min) | 0 | 500 | 600 | 700 | 800 | 1000 | 1200 |
| XZS80-50-200/92 | A1.15.753 | 3.349,00 € | 9.2 | H (m) | 53 | 48 | 47.5 | 46.5 | 44.5 | 39.5 | 34 |
| XZS80-50-200/110 | A1.15.754 | 3.356,00 € | 11 | 57.5 | 53 | 51 | 50.5 | 50 | 47 | 41 |
Hydraulic performance
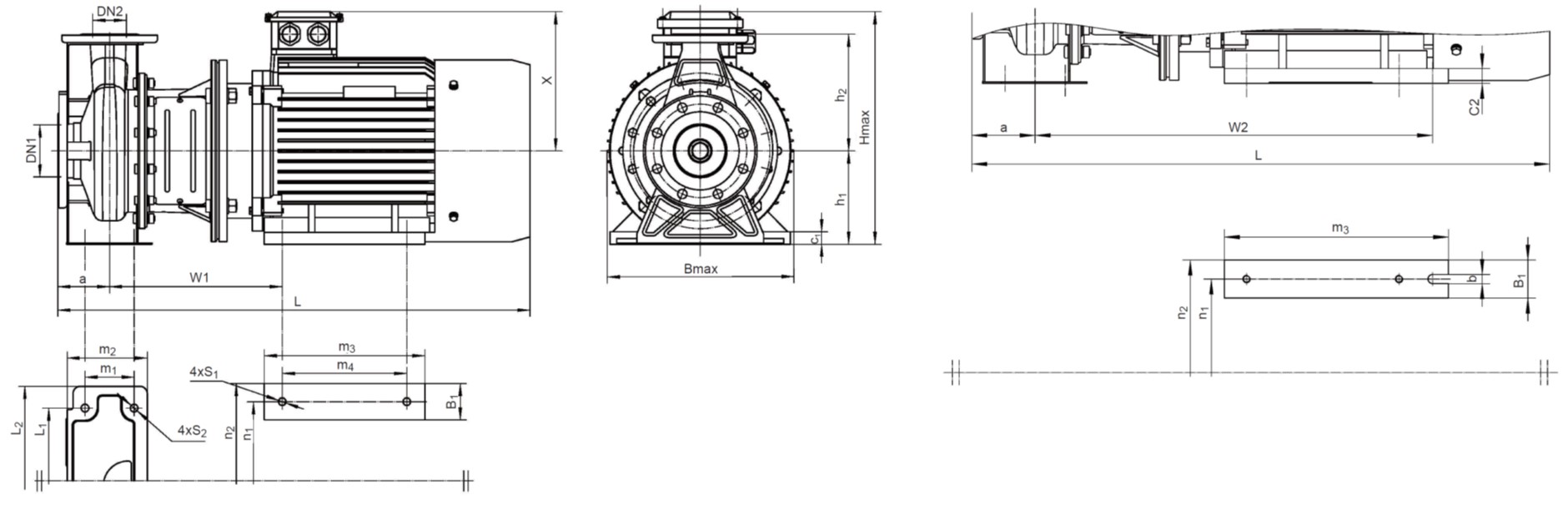
Dimensions
| Models | DN1 | DN2 | a | w1 | w2 | L1 | L2 | m1 | m2 | m3 | m4 | n1 | n2 | h1 | h2 | S1 | S2 | B1 | b | c1 | c2 | X | Bmax | Hmax | L |
|---|---|---|---|---|---|---|---|---|---|---|---|---|---|---|---|---|---|---|---|---|---|---|---|---|---|
| XZS80-50-200/92 | 80 | 50 | 100 | 314 | 212 | 265 | 70 | 146 | 210 | 260 | 254 | 320 | 160 | 200 | 14.5 | 14 | 65 | 20 | 260 | 350 | 420 | 816 | |||
| XZS80-50-200/110 | 80 | 50 | 100 | 314 | 212 | 265 | 70 | 146 | 210 | 260 | 254 | 320 | 160 | 200 | 14.5 | 14 | 65 | 20 | 260 | 350 | 420 | 816 |
Exploded view
| No. | Type | Materials | Buy |
|---|---|---|---|
| 1 | Pump body | austenitic stainless steel | |
| 2 | Impeller | austenitic stainless steel | |
| 3 | O-ring | nitrile rubber (NBR) | |
| 4 | Rear cover | austenitic stainless steel | |
| 5 | Lantern | cast iron HT200 | |
| 6 | Engine | ||
| 7 | Rigid coupling | austenitic stainless steel | |
| 8 | Nameplate | austenitic stainless steel | |
| 9 | Coupling protection housing | austenitic stainless steel | |
| 10 | Mechanical seal | silicon carbide / graphite |

Pump body for XZS80-50
| Model | Part ref. | Price | Stock | Buy |
|---|---|---|---|---|
| XZS80-50-200/92 | No available part. | |||
| XZS80-50-200/110 | No available part. | |||
Impeller for XZS80-50
| Model | Part ref. | Price | Stock | Buy |
|---|---|---|---|---|
| XZS80-50-200/92 | No available part. | |||
| XZS80-50-200/110 | No available part. | |||
O-ring for XZS80-50
| Model | Part ref. | Price | Stock | Buy |
|---|---|---|---|---|
| XZS80-50-200/92 | No available part. | |||
| XZS80-50-200/110 | No available part. | |||
Rear cover for XZS80-50
| Model | Part ref. | Price | Stock | Buy |
|---|---|---|---|---|
| XZS80-50-200/92 | No available part. | |||
| XZS80-50-200/110 | No available part. | |||
Lantern for XZS80-50
| Model | Part ref. | Price | Stock | Buy |
|---|---|---|---|---|
| XZS80-50-200/92 | No available part. | |||
| XZS80-50-200/110 | No available part. | |||
Engine for XZS80-50
| Model | Part ref. | Price | Stock | Buy |
|---|---|---|---|---|
| XZS80-50-200/92 | No available part. | |||
| XZS80-50-200/110 | No available part. | |||
Rigid coupling for XZS80-50
| Model | Part ref. | Price | Stock | Buy |
|---|---|---|---|---|
| XZS80-50-200/92 | No available part. | |||
| XZS80-50-200/110 | No available part. | |||
Nameplate for XZS80-50
| Model | Part ref. | Price | Stock | Buy |
|---|---|---|---|---|
| XZS80-50-200/92 | No available part. | |||
| XZS80-50-200/110 | No available part. | |||
Coupling protection housing for XZS80-50
| Model | Part ref. | Price | Stock | Buy |
|---|---|---|---|---|
| XZS80-50-200/92 | No available part. | |||
| XZS80-50-200/110 | No available part. | |||
Mechanical seal for XZS80-50
| Model | Part ref. | Price | Stock | Buy |
|---|---|---|---|---|
| XZS80-50-200/92 | 10019974 | -- | -- | -- |
| XZS80-50-200/110 | No available part. | |||
Packaging
| Models | Weight (kg) | Length L (mm) | Width W (mm) | Height H (mm) |
|---|---|---|---|---|
| XZS80-50-200/92 | 40 | 910 | 430 | 595 |
| XZS80-50-200/110 | 178 | 910 | 430 | 595 |
