KBZ(1.5-5.5kW) Construction site pump
Application
- Civil engineering
- Mines, quarries, sludge
- Wastewater treatment plant
Pump
- Max flow: 156 m³/h
- HMT max: 57 m
- Maximum immersion depth: 25 m
- Maximum liquid temperature: +40°C
- Maximum particle passage diameter: 8,5 mm
- Top mechanical seal in silicon carbide / silicon carbide from 3.7 kW
- Barbed outlet as standard
- Accessories of the threaded or tapped connection outlet type
- Cable length: 20 m
Motor
- Insulation class: B
- Protection class: IP68
Identification codes
KBZ
2
1.5
Power (kW)
Outlet diameter (")
Construction site pump
Technical data
| Q (m³/h) | 0 | 5 | 10 | 15 | 20 | 25 | 30 | 35 | 40 | 45 | 50 | 55 | 60 | 70 | 80 | 90 | 100 | ||||
|---|---|---|---|---|---|---|---|---|---|---|---|---|---|---|---|---|---|---|---|---|---|
| Model | Code | Price excl. VAT | kW | Q (l/min) | 0 | 83 | 167 | 250 | 333 | 417 | 500 | 583 | 667 | 750 | 833 | 917 | 1000 | 1167 | 1333 | 1500 | 1667 |
| KBZ21.5F | A1.53.863 | 1,092.00 € | 1.5 | H (m) | 23.1 | 20.9 | 19.4 | 17.4 | 14.4 | 11 | 7.2 | ||||||||||
| KBZ22.2F | A1.53.866 | 1,219.00 € | 2.2 | 27.8 | 27.5 | 26.6 | 24.7 | 21.5 | 16.7 | 10.9 | |||||||||||
| KBZ23.7F | A1.53.873 | 2,022.00 € | 3.7 | 34 | 33 | 31.1 | 28.3 | 23.5 | 17.9 | 12 | |||||||||||
| KBZ32.2F | A1.53.883 | 1,255.00 € | 2.2 | 18.7 | 18.2 | 17.5 | 16.7 | 15.8 | 14.6 | 13 | 11 | 9 | 6.9 | 4.6 | |||||||
| KBZ33.7F | A1.53.888 | 2,065.00 € | 3.7 | 30.1 | 29.3 | 28.2 | 27.1 | 25.6 | 24.1 | 22.3 | 20 | 17.4 | 14.7 | 11.9 | 8.8 | 5.7 | |||||
| KBZ35.5F | A1.53.893 | 2,552.00 € | 5.5 | 32.1 | 29.4 | 27.5 | 26.3 | 25.3 | 24.1 | 22.6 | 20.8 | 18.6 | 16.2 | 14.3 | 8.8 | ||||||
| KBZ45.5F | A1.53.903 | 2,608.00 € | 5.5 | 23.3 | 22.5 | 21.7 | 20.7 | 19.6 | 18.3 | 16.8 | 14.6 | 12.2 | 9.4 | 6.4 |
Hydraulic performance
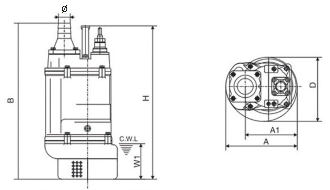
Dimensions
Exploded view
| No. | Type | Materials | Buy |
|---|---|---|---|
| 1 | Barbed outlet fitting | cast iron HT200 | |
| 2 | Thermal protection | ||
| 3 | Top cover | cast iron HT200 | |
| 4 | Jacket | cast iron HT200 | |
| 5 | Seal | ||
| 6 | Mechanical seal | sil carb / sil carb, carbon / sil carb (<3kW) | |
| 7 | Strainer | steel | |
| 8 | Handle | steel | |
| 9 | Power cable | ||
| 10 | Bearing | ||
| 11 | Rotor | ||
| 12 | Stator | ||
| 13 | Bearing | ||
| 14 | Impeller | chrome alloy | |
| 15 | Pump body | cast iron HT200 | |
| 16 | Inlet fitting | ductile cast iron |
%20e%CC%81clate%CC%81.jpg)
Barbed outlet fitting for KBZ(1.5-5.5kW)
| Model | Part ref. | Price | Stock | Buy |
|---|---|---|---|---|
| KBZ21.5F | No available part. | |||
| KBZ22.2F | No available part. | |||
| KBZ23.7F | No available part. | |||
| KBZ32.2F | No available part. | |||
| KBZ33.7F | No available part. | |||
| KBZ35.5F | No available part. | |||
| KBZ45.5F | No available part. | |||
Thermal protection for KBZ(1.5-5.5kW)
| Model | Part ref. | Price | Stock | Buy |
|---|---|---|---|---|
| KBZ21.5F | No available part. | |||
| KBZ22.2F | No available part. | |||
| KBZ23.7F | No available part. | |||
| KBZ32.2F | No available part. | |||
| KBZ33.7F | No available part. | |||
| KBZ35.5F | No available part. | |||
| KBZ45.5F | No available part. | |||
Top cover for KBZ(1.5-5.5kW)
| Model | Part ref. | Price | Stock | Buy |
|---|---|---|---|---|
| KBZ21.5F | No available part. | |||
| KBZ22.2F | No available part. | |||
| KBZ23.7F | No available part. | |||
| KBZ32.2F | No available part. | |||
| KBZ33.7F | No available part. | |||
| KBZ35.5F | No available part. | |||
| KBZ45.5F | No available part. | |||
Jacket for KBZ(1.5-5.5kW)
| Model | Part ref. | Price | Stock | Buy |
|---|---|---|---|---|
| KBZ21.5F | No available part. | |||
| KBZ22.2F | No available part. | |||
| KBZ23.7F | No available part. | |||
| KBZ32.2F | No available part. | |||
| KBZ33.7F | No available part. | |||
| KBZ35.5F | No available part. | |||
| KBZ45.5F | No available part. | |||
Seal for KBZ(1.5-5.5kW)
| Model | Part ref. | Price | Stock | Buy |
|---|---|---|---|---|
| KBZ21.5F | No available part. | |||
| KBZ22.2F | No available part. | |||
| KBZ23.7F | No available part. | |||
| KBZ32.2F | No available part. | |||
| KBZ33.7F | No available part. | |||
| KBZ35.5F | No available part. | |||
| KBZ45.5F | No available part. | |||
Mechanical seal for KBZ(1.5-5.5kW)
| Model | Part ref. | Price | Stock | Buy |
|---|---|---|---|---|
| KBZ21.5F | No available part. | |||
| KBZ22.2F | No available part. | |||
| KBZ23.7F | No available part. | |||
| KBZ32.2F | No available part. | |||
| KBZ33.7F | No available part. | |||
| KBZ35.5F | No available part. | |||
| KBZ45.5F | No available part. | |||
Strainer for KBZ(1.5-5.5kW)
| Model | Part ref. | Price | Stock | Buy |
|---|---|---|---|---|
| KBZ21.5F | No available part. | |||
| KBZ22.2F | No available part. | |||
| KBZ23.7F | No available part. | |||
| KBZ32.2F | No available part. | |||
| KBZ33.7F | No available part. | |||
| KBZ35.5F | No available part. | |||
| KBZ45.5F | No available part. | |||
Handle for KBZ(1.5-5.5kW)
| Model | Part ref. | Price | Stock | Buy |
|---|---|---|---|---|
| KBZ21.5F | No available part. | |||
| KBZ22.2F | No available part. | |||
| KBZ23.7F | No available part. | |||
| KBZ32.2F | No available part. | |||
| KBZ33.7F | No available part. | |||
| KBZ35.5F | No available part. | |||
| KBZ45.5F | No available part. | |||
Power cable for KBZ(1.5-5.5kW)
| Model | Part ref. | Price | Stock | Buy |
|---|---|---|---|---|
| KBZ21.5F | No available part. | |||
| KBZ22.2F | No available part. | |||
| KBZ23.7F | No available part. | |||
| KBZ32.2F | No available part. | |||
| KBZ33.7F | No available part. | |||
| KBZ35.5F | No available part. | |||
| KBZ45.5F | No available part. | |||
Bearing for KBZ(1.5-5.5kW)
| Model | Part ref. | Price | Stock | Buy |
|---|---|---|---|---|
| KBZ21.5F | No available part. | |||
| KBZ22.2F | No available part. | |||
| KBZ23.7F | No available part. | |||
| KBZ32.2F | No available part. | |||
| KBZ33.7F | No available part. | |||
| KBZ35.5F | No available part. | |||
| KBZ45.5F | No available part. | |||
Rotor for KBZ(1.5-5.5kW)
| Model | Part ref. | Price | Stock | Buy |
|---|---|---|---|---|
| KBZ21.5F | No available part. | |||
| KBZ22.2F | No available part. | |||
| KBZ23.7F | No available part. | |||
| KBZ32.2F | No available part. | |||
| KBZ33.7F | No available part. | |||
| KBZ35.5F | No available part. | |||
| KBZ45.5F | No available part. | |||
Stator for KBZ(1.5-5.5kW)
| Model | Part ref. | Price | Stock | Buy |
|---|---|---|---|---|
| KBZ21.5F | No available part. | |||
| KBZ22.2F | No available part. | |||
| KBZ23.7F | No available part. | |||
| KBZ32.2F | No available part. | |||
| KBZ33.7F | No available part. | |||
| KBZ35.5F | No available part. | |||
| KBZ45.5F | No available part. | |||
Bearing for KBZ(1.5-5.5kW)
| Model | Part ref. | Price | Stock | Buy |
|---|---|---|---|---|
| KBZ21.5F | No available part. | |||
| KBZ22.2F | No available part. | |||
| KBZ23.7F | No available part. | |||
| KBZ32.2F | No available part. | |||
| KBZ33.7F | No available part. | |||
| KBZ35.5F | No available part. | |||
| KBZ45.5F | No available part. | |||
Impeller for KBZ(1.5-5.5kW)
| Model | Part ref. | Price | Stock | Buy |
|---|---|---|---|---|
| KBZ21.5F | No available part. | |||
| KBZ22.2F | No available part. | |||
| KBZ23.7F | No available part. | |||
| KBZ32.2F | No available part. | |||
| KBZ33.7F | No available part. | |||
| KBZ35.5F | No available part. | |||
| KBZ45.5F | No available part. | |||
Pump body for KBZ(1.5-5.5kW)
| Model | Part ref. | Price | Stock | Buy |
|---|---|---|---|---|
| KBZ21.5F | No available part. | |||
| KBZ22.2F | No available part. | |||
| KBZ23.7F | No available part. | |||
| KBZ32.2F | No available part. | |||
| KBZ33.7F | No available part. | |||
| KBZ35.5F | No available part. | |||
| KBZ45.5F | No available part. | |||
Inlet fitting for KBZ(1.5-5.5kW)
| Model | Part ref. | Price | Stock | Buy |
|---|---|---|---|---|
| KBZ21.5F | No available part. | |||
| KBZ22.2F | No available part. | |||
| KBZ23.7F | No available part. | |||
| KBZ32.2F | No available part. | |||
| KBZ33.7F | No available part. | |||
| KBZ35.5F | No available part. | |||
| KBZ45.5F | No available part. | |||
%20plan.jpg)